| Sign In | Join Free | My fazendomedia.com |
|
Brand Name : DM
Model Number : VT-70XX
Certification : TUV PED ISO
Place of Origin : CHINA
MOQ : 1piece
Price : 2000USD
Supply Ability : 100piece per month
Packaging Details : sea worth plywood case
Material : duplex 1.4462
technical standard : EN 10228-4 cl 3 Austenitic and austenitic-ferritic stainless steel
Test : G48 A923 B
application : pulping shredder papermaking desalination
technical : forged and precision machining
heat treatment : 1040 solution and quench
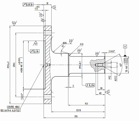
Duplex steel 1.4462 1.4404 1.4410 forged shaft axeltapp final machined for turbine generator
Turbine machinery, such as gas turbine, steam turbine, water turbine need to use good performance, can cope with the high intensity of the environment, with good physical and chemical properties of the drive shaft

Our company has two main production plants. Zhangjiagang factory is responsible for the rough forming of workpiece, mainly forging process; Hangzhou plant is mainly responsible for precision machining, welding and inspection of products. We implement this layout mainly to use the industrial advantages of each region to achieve maximum economic benefits.
Traditional processing enterprises often do not have such ability, the lack of blank forming ability is unable to achieve the optimal use of materials, resulting in excessive processing allowance, long cycle, high cost. Zhangjiagang is located in the southern jiangsu province, which has the strongest forging capacity in China. It has a good supporting industry and can realize the diversified production of forging and pressing blanks. Thanks to this, the product cycle of our company is faster, the cost performance is higher, and the forging products have better mechanical properties than the products directly processed by rod or plate.
In addition, our company has strong welding ability, which can weld and assemble parts to achieve system delivery. Our company adopts the mode of automatic robot welding and manual precision welding to achieve flexibility and high quality
Two advantages forging and welding

No. of employee: Production administration 15 person; Workshop 120 person; Quality and Technical 15 person.
Main Market: Europe, America, East south Asia, Korea, Japan
Management System: IS09001
| Total Production (Tons) | 2018 | 2019 | 2020 |
| SS Flange | 300 | 350 | 400 |
| Duplex Flange | 100 | 120 | 180 |
| Alloy Steel Flange | 90 | 110 | 140 |
| Non-Standard parts | 150 | 180 | 230 |
Sawing Machining: 6 sets
Forging Workshop: 2 tons Hammer: 3 sets,
Machining Workshop: CNC Machine 10 sets, CNC drilling 1 set. Common Machining 20 sets, drilling: 7 sets


Stainless steel :304/1.4307 316/1.4404 321/1.4541 316Ti/1.4571 317L 904L F44 NO6625 UNS718
440A/B/C 431 446 F6a F11 F22 F91
Duplex steel : F51 F60 F53 F55
Aluminum : 6061 6063 7075 5052
|
|
Duplex Steel 1.4462 1.4404 1.4410 Shaft Forging Images |